直线命令是我们在绘制图形的过程中使用最频繁的命令之一,通过本文的示例,大家将掌握直线命令的使用方法。

直线绘制草图
上图是我们这次需要绘制的图形,我们可以看到通过直线命令,我们就可以完成图纸的绘制工作。
1.我们打开AutoCAD2022软件,新建文件,名称为“直线绘图命令的使用”。

新建文件,保存为“直线绘图命令的使用”
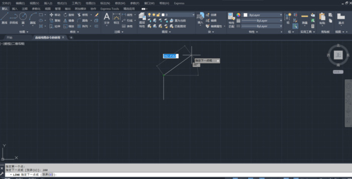
2.我们选择直线命令或者通过绘图-直线命令或者在命令行输入Line,打开我们的直线命令,在图纸中任意位置点击确定我们的第一点。

确定第一点
3.我们移动鼠标,使直线垂直向上,同时输入长度200,确定第一条线段。

确定第一条线段
4.同样的方法,通过输入线段长度以及调整角度,确定第二、第三、第四条线段。

确定第三条线段

确定第三条线段

捕捉第一条线段端点,确定第四条线段
5.我们最后一条线段的绘制可以通过捕捉第一点绘制,也可以通过在命令行选择闭合命令绘制。

在命令行选择闭合

图纸完成
AutoCAD中直线的绘制比较简单,需要灵活运用捕捉、追踪等设置完成图纸的绘制工作。
制图网(www.makepic.net),专业的logo免费设计在线生成网站,全自动智能化logo设计,商标设计,logo在线生成!
欢迎使用制图网制作属于您公司自己的logo,不仅专业而且经济实惠,全方位满足您公司品牌化、视觉化的需求。
只需简单一步,使用微信扫码(或长按识别二维码)并在任一小程序首页根据提示获取激活码!
chatGPT中文网页版,无需注册,快来体验全网最火爆的人工智能应用!
只需简单一步,使用微信扫码(或长按识别二维码)并在任一小程序首页根据提示获取激活码!
chatGPT中文网页版,无需注册,快来体验全网最火爆的人工智能应用!